H2 V2X¶

产品链接:
https://biqu.equipment/products/h2-v2x
Wiki链接:
https://bttwiki.com/H2%20V2X.html
Github 链接:
https://github.com/bigtreetech/H2-V2X
产品简介¶
H2 V2X 为一款超轻型(重量仅145克)近程挤出机,选用经阳极氧化处理的铝合金材质,并采用CNC精密加工技术制成。它具有优异的电机散热性能,配备双齿轮挤出机构,能够平稳输送耗材。此外,设有多个安装孔位,方便客户自行DIY安装支架。
功能亮点¶
- 超轻设计:仅重145克,精准打印。
- 卓越电机散热性能:镂空设计,空气流动增加,电机散热性能更佳。
- 全金属挤出机:CNC阳极氧化铝材质,坚固耐用。
- 四面安装孔位:随心拓展,满足多样需求。
- 快速换料扳手:轻轻一扣,进料出料,简单易用。
产品规格¶
| 挤出方式 | 双齿轮挤压 |
|---|---|
| 重量 | 145 g |
| 最大挤压力 | 7.5 kg (因灯丝类型而异) |
| E-step | 16细分下,每毫米需要932个脉冲(建议校准) |
| Klipper旋转距离 | 3.433 |
| 推荐电机电流 | 800 mA |
| 齿轮传动比 | 7:1 |
| 挤出轮周长 | 24.5 mm |
| 耗材直径及公差 | 1.75 mm ± 0.05 mm |
注:与标准NEMA14电机不兼容。
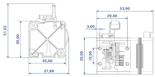
产品尺寸¶
XYZ尺寸:53.9 x 37.88 x 51.52mm


耗材松紧调节开关/ 耗材加载¶
耗材松紧调节开关:
挤出齿轮的松紧可调节,以适应不同的耗材,逆时针方向转动螺杆为夹紧,顺时针方向转动螺杆为松弛(当螺杆停止转动时,请勿用力,以免造成挤出机损坏)

耗材加载:
送进耗材前,请将控制杆向前方②调节。

运行最高温度¶
注意:这是单个部件运行的最大温度,不是系统整体温度
电机:130°C
轴承:100°C
电机规格¶
| 额定电压 | DC 3.45V |
|---|---|
| 额定电流 | DC 1.5A per phase |
| 相数 | 2 |
| 绕组直流电阻(25°C) | 2.3x (1±10%) Ω |
| 绕组电感 | 2.0x (1±20%) mH |
| 保持扭矩 | ≥110mN·m |
| 定位扭矩 | 7mN·mREF |
| 绝缘电阻 | ≥100MΩ (DC 500V) |
| 绝缘级别 | Class B |
| 转动惯量 | 8g·cm³ |

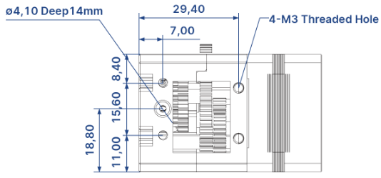
产品结构图¶

相关链接¶
购买链接:
https://biqu.equipment/products/h2-v2x
如果您在使用此产品时遇到任何问题,请与我们联系并提交支持工单。
https://biqu3d.com/pages/submit-a-ticket
网站导航:
BIQU 官网: http://biqu3d.com
BIGTREETECH 官网: http://bigtree-tech.com
在线商城: https://biqu.equipment