Panda Turbo Kit¶

产品链接:
https://bit.ly/4mVyx10
GitHub:
https://github.com/bigtreetech/Panda-Turbo-Kit
Wiki:
https://bttwiki.com/Panda-Turbo-Kit.html
产品简介¶
BIQU Panda Turbo Kit采用医疗设备供应商 Wonsmart 提供的高品质高性能鼓风机与驱动,结合我们自主研发的电路板,转速高达 45,000 RPM,风量为原厂配置的三倍,带来即插即用的强劲冷却性能,稳定支持高速打印与高负载任务。
产品特点¶
三倍风量提升,采用转速高达 45,000 RPM 的 Wonsmart (医疗设备供应商)高性能WS7040鼓风机及驱动,轻松应对高速打印任务。
- 45,000 最大转速;
- 6.6 Kpa 最大静压;
- 14.7 CFM 最大流量;
即插即用,安装过程不超过 10 分钟。(*不含所需打印件打印时间。)
最大风量旋钮调参,免调切片软件。
内外循环无极调节,满足不同耗材需求。
外壳采用拓竹ABS-GF耗材打印,抗热不变形,轻松承受高温封箱打印环境。
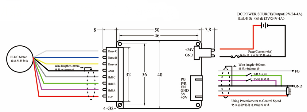
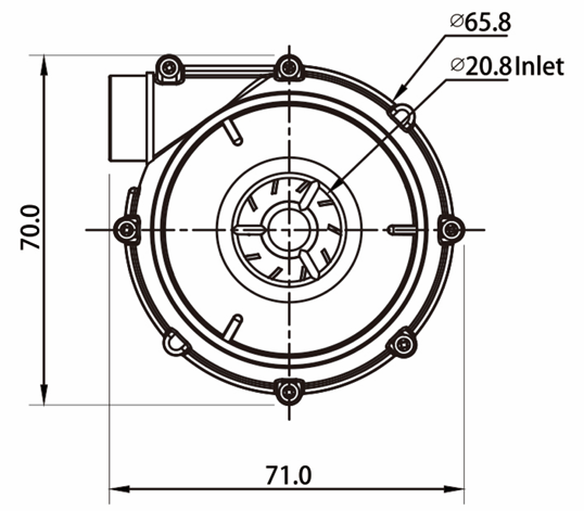
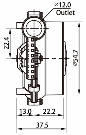
电机规格¶


驱动规格¶


尺寸图¶



安装指南¶
1.准备工作¶
打印并安装增高支架
请使用3D打印机打印增高支架,并安装至打印机顶部。


2.P1 系列安装步骤¶
步骤 1:关闭电源并拆下工具头前盖
- 关闭打印机主电源,确保操作安全。
- 拆下工具头前盖,断开风扇接口连接(如下图红圈所示)。


步骤 2:导风嘴安装
- 使用 H2.0 内六角扳手,拆卸原装风扇。(请妥善放置,后续步骤将需将原厂风扇安装至 Panda Turbo Kit 上)
- 装入套件包含的导风嘴,并使用原螺丝固定锁紧。


步骤 3:连接风管
- 将风管按照螺纹方向旋入导风嘴接口上。

步骤 4:连接风管至 Panda Turbo Kit
- 将风管另一端旋入 Panda Turbo Kit 出风口。

步骤 5:信号线缆连接至工具头
- 将信号线插头插入工具头内对应接口。
- 沿拖链布局收纳整理线缆。


步骤 6:安装改装后的工具头前盖

- 扣上引磁板,增强前盖板稳定性并防止脱落。

步骤 7:整理线材与风管长度
- 将工具头滑动至最前端位置,预留适当风管与线材长度,避免拉扯或干涉运行轨迹。

步骤 8:安装原厂风扇至 Panda Turbo Kit 主体
- 将从工具头前该拆下的原厂风扇装入 Panda Turbo Kit 主体内部。
- 将风扇插头插入对应端口。
- 使用 2 颗 M3×15 螺丝将风扇固定。

步骤 9:信号线连接至 Panda Turbo Kit
- 将信号线另一端插入 Panda Turbo Kit 主体上对应接口。
- 将Panda Turbo Kit主体吸附于打印机背部出风口位置。


步骤 10:连接电源
- 接入 24V 电源即可供电。
供电方式:支持 24V 电源供电(电源适配器需另购),或使用套件内含转接头进行改制供电。


步骤 11:安装顶部组件
- 安装打印完成的风管固定块并用2颗M3x10沉头螺丝(需自备) 以固定风管。
- 盖上打印机顶盖,即完成安装。


恭喜您,Panda Turbo Kit 已成功安装!
即刻体验原厂三倍风量带来的强劲散热,助力每一次高效、稳定的打印。
3.X1C安装步骤¶
步骤 1:关闭电源并拆下工具头前盖
- 关闭打印机主电源,确保操作安全。
- 拆下工具头前盖,断开风扇接口连接(如下图红圈所示)。



步骤 2:导风嘴安装
- 使用 H2.0,H2.5内六角扳手,拆卸原装风扇及PCBA。(请妥善放置原装风扇,后续步骤将需将其安装至 Panda Turbo Kit 上。)
- 装入套件包含的导风嘴,并使用原螺丝固定锁紧。


步骤 3:连接风管
- 将风管按照螺纹方向旋入导风嘴接口上。

步骤 4:连接风管至 Panda Turbo Kit
- 将风管另一端旋入 Panda Turbo Kit 出风口。

步骤 5:信号线缆连接
- 请将刚刚从原风扇断开的工具头线缆,与套件中的信号线连接(如下图红圈所示)。
- 沿拖链布局收纳整理线缆。

步骤 6:安装改装后的工具头前盖

注意:从该步骤开始,X1C 与 P1 系列打印机的安装流程相同。请跳转至 P1 系列安装步骤的步骤 6 继续操作,即可完成安装。
功能说明¶
最大风量设置
Panda Turbo Kit上方的风量旋钮可以方便您在无需改动固件的情况下,调整风扇的最大风量,逆时针旋转到头为原厂风量(约30%功率) 顺时针旋转到头为最大风量(100%)。

内外循环模式¶
Panda Turbo Kit 支持内循环与外循环两种气流模式,并可通过拨动调节阀实现无级切换,以适应不同的打印场景,进一步优化冷却效率与打印质量。
内循环模式¶
当调节阀向下拨动时,进风口朝向打印机内部,此时Panda Turbo Kit将机箱内的空气吸入,并通过风管引导至打印头区域,实现模型内部的有效冷却(内循环模式)。

外循环模式¶
当调节阀向右拨动时,进风口朝向打印机外部,Panda Turbo Kit吸入外部新鲜空气,经由风管输送至打印头,实现外部空气冷却(外循环模式)。

购买链接¶
https://bit.ly/4mVyx10
如果您在使用产品过程中遇到任何问题,请提交支持工单:
https://biqu3d.com/pages/submit-a-ticket
网站导航¶
BIQU 官网: http://biqu3d.com
BIGTREETECH 官网: http://bigtree-tech.com
在线商城: https://biqu.equipment
社区: https://community.biqu3d.com