Universal Turbo Kit¶

产品链接:
https://biqu.equipment/products/universal-turbo-kit
GitHub存储库:
https://github.com/bigtreetech/Universal-Turbo-Kit
产品简介¶
BIQU无刷涡轮吹料套件,采用医疗设备供应商 Wonsmart 提供的高品质高性能鼓风机和驱动,以及我们自主研发的控制转接板和定制线材,让您安装CPAP鼓风机就像连接普通直流风扇一样轻松。即插即用是我们的服务宗旨!
功能亮点¶
- 专门设计的转接板和线材,实现即插即用的便利性;
- Wonsmart(医疗设备供应商)高性能WS7040鼓风机及驱动;
- 45,000 最大转速;
- 6.6 Kpa 最大静压;
- 14.7 CFM 最大流量;
- 配有进气过滤器,降低运行噪音,防止异物进入风机损坏扇叶,使套件运行更加安静平稳;
- 包含 Voron 2.4 排气罩改装安装所需的螺丝和螺母;
- 提供Voron 2.4 排气罩改装模型文件;
- 提供3D 打印降噪罩模型文件;
- 提供该套件的模型参考文件,便于您设计自己的安装组件。
包装清单¶
| 项目 | 数量 |
|---|---|
| WS7040-24-V200 鼓风机 | 1 |
| WS2403DY01V04无刷驱动 | 1 |
| 进气过滤器 | 1 |
| 控制转接板 | 1 |
| 20AWG×1m电源线,带叉型端子 | 1 |
| 20AWG×1m控制信号线,带XH2.54连接器 | 1 |
| 无刷驱动电源线 | 1 |
| 无刷驱动信号线 | 1 |
| 电位器旋钮 | 1 |
电机规格¶


驱动规范¶

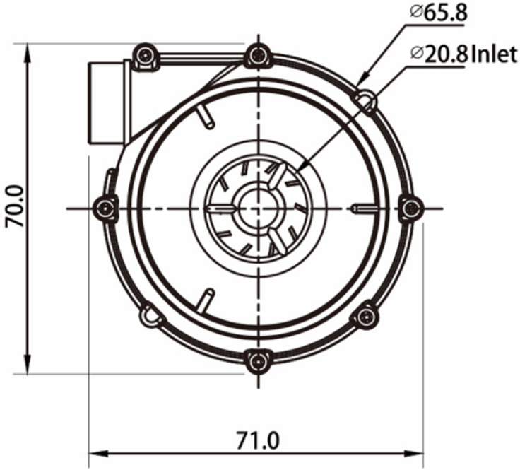
尺寸¶




接线说明¶
若使用电位器旋钮手动控制转速:
1、连接电源到 24V。
2、将 3 针 XH2.54 连接器插入电位器。
若使用主板或Pi SBC控制转速,请依下图操作:
- 将无刷驱动电源线线插入转接板;
- 将3针XH2.54连接器插入转接板;
- 剪裁电源和信号线至所需长度;
- 将电源和信号线插入转接板;
- 连接24V直流电源;
- 将信号线连接至任意风扇接口(3.3-24V兼容)。


固件设置¶
Klipper¶
将风扇端口引脚插入下面的引脚部分,并复制到 “printer.cfg” 文件中:
[fan]
pin: # Output pin controlling the fan. This parameter must be provided.
max_power: 0.8
# This should be set to 0.8 on most motherboards to give full range of control to your slicer.
# Anything above 80% duty cycle will be full power on this particular brushless driver.
# To fine-tune the max_power parameter for your particular motherboard, set max_power to 1.0, go into the Klipper dashboard, and increase fan speed 1% at a time until the actual fan speed stops increasing as you increase the fan speed. Divide the fan speed at this point by 100 and enter it into the max_power parameter.
# This parameter defines the maximum power (expressed as a value from 0.0 to 1.0) that the pin may be set to.
# The value 1.0 allows the pin to be set fully enabled for extended periods, while a value of 0.5 would allow the pin to be enabled for no more than half the time.
# This setting may be used to limit the total power output (over extended periods) to the fan.
# If this value is less than 1.0, then fan speed requests will be scaled between zero and max_power (for example, if max_power is 0.9 and a fan speed of 80% is requested, then the fan power will be set to 72%).
shutdown_speed: 0
# The desired fan speed (expressed as a value from 0.0 to 1.0) if
# The microcontroller software enters an error state.
# The default is 0.
cycle_time: 0.005
# The amount of time (in seconds) for each PWM power cycle to the fan.
# It is recommended this be 10 milliseconds or greater when using software-based PWM.
# The default is 0.010 seconds.
hardware_pwm: False
# Enable this to use hardware PWM instead of software PWM.
# Most fans do not work well with hardware PWM, so it is not recommended to enable this unless there is an electrical requirement to switch at very high speeds.
# When using hardware PWM, the actual cycle time is constrained by the implementation and may be significantly different than the requested cycle_time.
# The default is False.
kick_start_time: 0.100
# Time (in seconds) to run the fan at full speed when either first enabling or increasing it by more than 50% (helps get the fan spinning).
# The default is 0.100 seconds.
off_below: 0.1
# The blower will not spin with the included brushless driver when the duty cycle is below 8%. When scaled with Max_power at 0.8, the off_below parameter should be set to 0.1.
# To calibrate this setting, gradually lower the fan speed to determine the lowest input speed that reliably drives the fan without stalls.
# Set off_below to the duty cycle corresponding to this value (for example, 8% -> 0.08/Max_power -> 0.08/0.8 -> 0.1) or slightly higher.
# This parameter is the minimum input speed that will power the fan (expressed as a value from 0.0 to 1.0).
# When a speed lower than off_below is requested, the fan will instead be turned off.
# This setting may be used to prevent fan stalls and to ensure effective kick starts.
# To calibrate this setting, start with off_below set to 0.0 and the fan spinning.
# Gradually lower the fan speed to determine the lowest input speed that reliably drives the fan without stalls.
# Set off_below to the duty cycle corresponding to this value (for example, 12% -> 0.12) or slightly higher.
#Tachometer_pin:
# Tachometer input pin for monitoring fan speed. A pullup is generally required.
# This parameter is optional.
#Tachometer_ppr: 1
# When tachometer_pin is specified, this is the number of pulses per revolution of the tachometer signal.
#Tachometer_poll_interval: 0.0005
# When tachometer_pin is specified, this is the polling period of the tachometer pin, in seconds.
# The default is 0.0015, which is fast enough for fans below 10,000 RPM at 2 PPR.
# This must be smaller than 30/(tachometer_ppr*rpm), with some margin, where rpm is the
# maximum speed (in RPM) of the fan.
Marlin¶
启用"FAN_SOFT_PWM"选项,并将"SOFT_PWM_SCALE"设置为5。
Duet Board
https://docs.duet3d.com/en/User_manual/Connecting_hardware/Fans_connecting
打印件说明¶
下载链接:https://github.com/bigtreetech/Universal-Turbo-Kit/tree/master/3D%20Model/Voron2.4%26Trident
首先,打印"Stealthburner Parts"文件夹中的所有模型。您还需要以下额外部件来完成热端组装:
1x BTT KNOMI V2.0;1x 15mm CPAP管;2x扎带。
接下来,根据您偏好的配置,从"Exhaust parts"文件夹中选择一个,并打印该文件夹内的所有模型。您可以从以下4种配置中选择:
1、Voron 排气罩的重新设计版本,集成了 SFS V2.0 模块,使用了随附的空气过滤器,不需要60mm排气风扇。
这是推荐配置,因为它完全封闭了风扇,将噪音降至最低。
*此设计是基于 Printables 上 @MichalKelnar_1267496 的设计改编而成。
原始设计链接:
https://www.printables.com/model/668556-modified-voron-exhaust-filter/files
对于此配置,您将需要以下额外部件:
1x BIGTREETECH SFS V2.0 模块
2、Voron-Exhaust-UTK-without-fan: 修改后的 Voron design V2.4 排气罩,不带60mm排气风扇。这是非 SFS 用户的推荐配置,因为它完全封闭了风扇,将噪音降至最低。
对于此配置,不需要额外部件。
3、Voron-Exhaust-UTK-SFS-with-fan: 这是 Voron 排气罩的重新设计版本,集成了 SFS V2.0 模块和一个 60mm 排气风扇。由于 CPAP 风扇位置的原因,需要一个强力的 60mm 风扇来保持打印机机壳内的负压;请注意,这将产生较高的噪音,因为风扇没有被封闭。
*此设计是基于 Printables 上 @MichalKelnar_1267496的设计改编而成。
原始设计链接:
https://www.printables.com/model/668556-modified-voron-exhaust-filter/files
对于此配置,您将需要以下额外部件:
1x BIGTREETECH SFS V2.0 模块;1x 60mm 轴流风扇
4、Voron-Exhaust-UTK-with-fan: 原始 Voron design V2.4 排气罩,带有 60mm排气风扇。由于 CPAP 风扇位置的原因,需要一个强力的 60mm 风扇来保持打印机机壳内的负压;请注意,这也将产生较高的噪音,因为风扇没有被封闭。
对于此配置,您将需要以下额外部件:
1x 60mm 轴流风扇
产品购买链接¶
购买链接: https://biqu.equipment/products/universal-turbo-kit
如果您对产品有任何问题,请与我们联系并提交支持工单. https://biqu3d.com/pages/submit-a-ticket
导航:
BIQU官方网站: http://biqu3d.com
BIGTREETECH官方网站: http://bigtree-tech.com
网上商店: https://biqu.equipment
BIGTREETECH官方群: https://www.facebook.com/groups/bigtreetech
Discord: https://discord.gg/hhZsV7zk
Reddit: https://www.reddit.com/r/BIGTREETECH/
微信公众号: BIGTREETECH
官方社群:
1群: 190180312(已满)
2群: 633401944
微信社群: 关注微信公众号获取社群二维码
资料获取由微信公众号提供,关注公众号发送及消息即可获取(网盘链接)