H2 V2X¶

Product Link:
https://biqu.equipment/products/h2-v2x
Wiki link:
https://bttwiki.com/H2%20V2X.html
Github Link:
https://github.com/bigtreetech/H2-V2X
Introduction¶
The H2 V2X is an ultra-lightweight (145g) direct drive extruder, crafted from anodized aluminum with CNC precision. It features superior motor heat dissipation, dual-gear extrusion for smooth filament feeding, and versatile mounting options.
Feature Highlights¶
- Ultra-Lightweight: Enables faster, precise printing with minimal inertia.
- Superior Motor Heat Dissipation: Hollowed-out, all-metal construction keeps the motor cool for consistent performance.
- Durable Construction: Anodized aluminum with CNC machining ensures long-lasting durability.
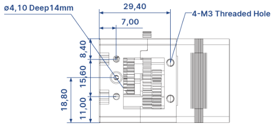
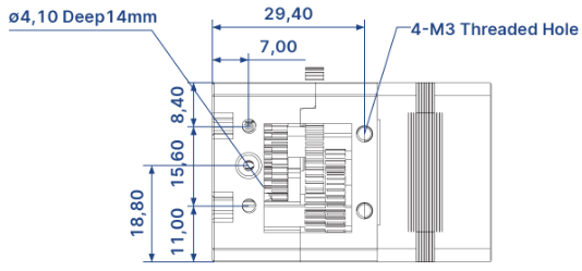
- Versatile Mounting: Features four-sided mounting options for expansion setups.
- Effortless Filament Changes: One-handed lock/unlock mechanism simplifies filament handling.
Technical Specifications¶
| Extrusion Method | Dual Gear Extrusion |
|---|---|
| Weight | 145 g |
| Maximum Extrusion Force | 7.5 kg (varies according to filament types) |
| E-step | 932/mm at 16 microsteps (additional calibration is recommended) |
| Klipper Rotation Distance | 3.433 |
| Recommended Motor Current | 800 mA |
| Gear Ratio | 7:1 |
| Drive Gear Circumference | 24.5 mm |
| Filament Diameter and Tolerance | 1.75 mm ± 0.05 mm |
Note: Not compatible with standard NEMA14 motor.
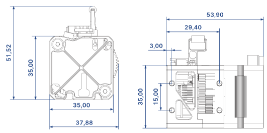
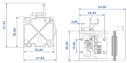
Dimensions¶
XYZ Dimensions: 53.9 x 37.88 x 51.52mm


Filament Tension and Filament Release¶
Adjusting the Drive Gear Tension:
The tension of the drive gear is adjustable to allow for the use of various types of filament. Turn the Tensioner Screw counterclockwise to increase pressure or clockwise to decrease pressure.
Note: Do not force the screw once it stops turning, as this could damage the extruder.

Releasing the Filament:
To release the filament, pull the lever towards the position labeled "②" in the diagram below. To lock it, move it to position "①".

Maximum Operating Temperature¶
Note: The temperatures listed are for individual components, not for the entire system.
Motor: 130°C
Bearings: 100°C
Motor Specifications¶
| Rated Voltage | DC 3.45V |
|---|---|
| Rated Current | DC 1.5A per phase |
| Phase | 2 |
| Winding DC Resistance (25°C) | 2.3x (1±10%) Ω |
| Winding Inductance | 2.0x (1±20%) mH |
| Holding Torque | ≥110mN·m |
| Positioning Torque | 7mN·mREF |
| Insulation Resistance | ≥100MΩ (DC 500V) |
| Insulation Level | Class B |
| Moment of Inertia | 8g·cm³ |

Exploded View¶

Product Purchase Link:¶
https://biqu.equipment/products/h2-v2x
If you experience any issues with this product, please contact us and submit a support ticket.
https://biqu3d.com/pages/submit-a-ticket
Navigation:
BIQU Official Website: http://biqu3d.com
BIGTREETECH Official Website: http://bigtree-tech.com
Online Store: https://biqu.equipment
Community: https://community.biqu3d.com