Panda Turbo Kit¶

Product Link:
https://bit.ly/4mVyx10
GitHub:
https://github.com/bigtreetech/Panda-Turbo-Kit
Wiki:
https://bttwiki.com/Panda-Turbo-Kit.html
Introduction¶
The BIQU Panda Turbo Kit combines a high-performance Wonsmart blower and driver—proven in medical-grade applications—with a custom-designed PCB for unmatched cooling power. With speeds up to 45,000 RPM and triple the airflow of the stock setup, this plug-and-play upgrade delivers exceptional cooling performance for high-speed printing and demanding scenarios.
Feature Highlights¶
Triple Airflow Boost: Powered by the Wonsmart WS7040 blower (medical-grade supplier), capable of up to 45,000 RPM, it handles high-speed printing effortlessly.
- 45,000 maximum RPM.
- 6.6 Kpa maximum static pressure.
- 14.7 CFM maximum flow rate.
Plug & Play Setup: Installs in just 10 minutes. (*Print time for installation parts not included)
Easy Max Fan Speed Adjustment: Adjust max fan speed without slicer modifications.
Airflow Perfection: Switch between internal/external circulation and fine-tune airflow strength for optimal material cooling.
ABS-GF High-Strength Shell: Engineered with Bambu Lab ABS-GF material, the Panda Turbo Kit withstands intense heat and maintains structural integrity – ideal for enclosed, high-temperature printing environments.
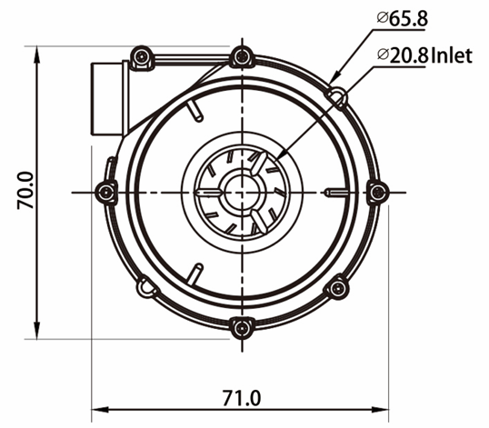
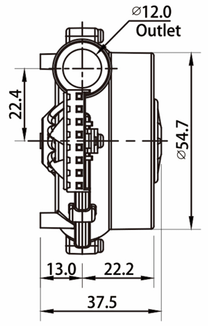
Motor Specification¶


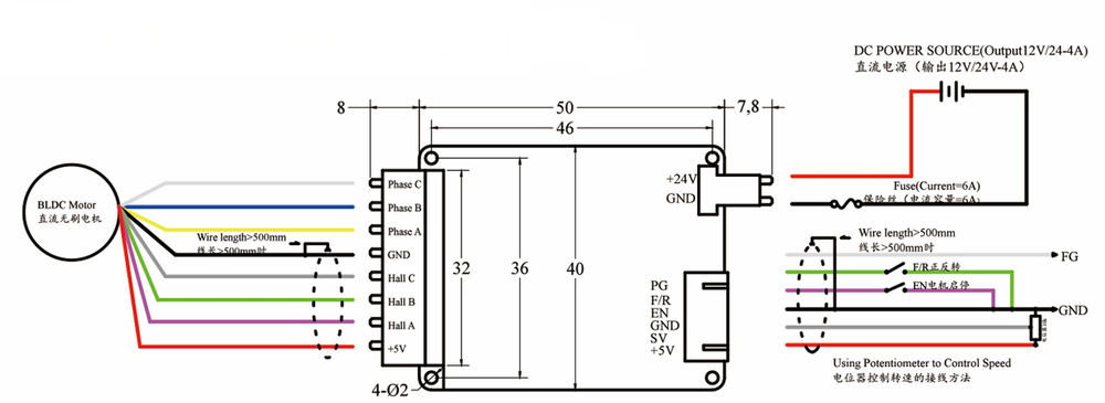
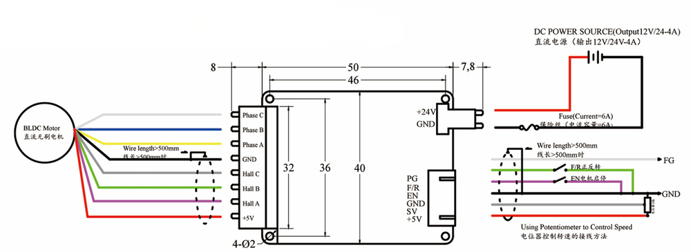
Driver Specification¶


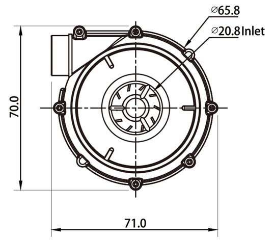
Dimensions¶



Installation Guide¶
Follow these steps to install the Panda Turbo Kit on P1 series printers.
1.Preparation¶
Ensure the riser is printed and ready to attach to the top of the printer.


2.Installation Steps for P1 Series¶
Step 1: Power Off & Remove the Front Cover
- Turn off and unplug the printer for safety.
- Remove the toolhead’s front cover.
- Disconnect the fan connector (refer to the red circle in the diagram).


Step 2: Install Air Duct
- Remove stock fan using 2.0mm hex wrench (In preparation of the following steps, keep the fan nearby.)
- Secure new air duct with original screws


Step 3: Connect the Air Hose
- Thread the air hose into the air duct.

Step 4: Connect the Air Hose to the Panda Turbo Kit
- Thread the opposite end of the hose into the Panda Turbo Kit’s air outlet.

Step 5: Signal Cable Connection
- Plug the signal cable into the matching port in the toolhead.
- Route the cable along the drag chain can improve stability.


Step 6: Reattach the modified front toolhead cover.

- Snap on the magnet bracket to secure the cover.

Step 7: Cable and Air Hose Management
- Move the toolhead to the frontmost position.
- Ensure enough slack in the hose and cable to prevent tension during movement.

Step 8: Install Stock Fan
- Place stock fan into Panda Turbo Kit.
- Connect to correct port.
- Secure with two M3×15 screws.

Step 9: Connect the Panda Turbo Kit
- Plug the other end of the signal cable into the corresponding port of the Panda Turbo Kit.
- Magnetically mount the Panda Turbo Kit to the rear exhaust (Printer rear location).


Step 10: Power Connection
- Connect the kit to a 24V power source.
You may use a compatible 24V supply or a modified adapter.


Step 11: Final Assembly
- Attach the printed rear tube clamp with two M3x10 countersunk screws to secure the air hose.
- Close the printer’s top cover.


*Installation Complete!*
Your Panda Turbo Kit is ready—delivering 3X stronger airflow for ultra-stable cooling at high speeds.
*Print faster. Cool smarter.*
3.Installation Steps for X1C Printer¶
Step 1: Power Off & Remove the Front Cover
- Turn off and unplug the printer for safety.
- Remove the toolhead’s front cover.
- Disconnect the fan connector (refer to the red circle in the diagram).



Step 2: Install Air Duct
- Remove the stock fan and PCBA using 2.0mm and 2.5mm hex wrenches (In preparation of the following steps, keep the fan nearby.)
- Secure new air duct with original screws.


Step 3: Connect the Air Hose
- Thread the air hose into the air duct.

Step 4: Connect the Air Hose to the Panda Turbo Kit
- Thread the opposite end of the hose into the Panda Turbo Kit’s air outlet.

Step 5: Signal Cable Connection
- Please connect the stock fan cable, which was just disconnected from the stock fan, to the signal cable in the kit (as shown in the red circle in the diagram below).
- Route the cable along the drag chain can improve stability.

Step 6: Reattach the modified front toolhead cover.

Note: From this step onward, the installation process for the X1C follows the same procedure as that for the P1 series printers. Please proceed to step 6 of the Installation Steps for P1 Series to continue and complete the installation.
Functionality¶
Manual Max Fan Speed Control
Easily adjust the max fan speed with the top-mounted knob:
- Turn counterclockwise for quiet operation (~30% power, stock-like)
- Turn clockwise for maximum cooling (100% power)
No firmware tweaks needed - instant control at your fingertips.

Internal and External Airflow Modes¶
The Panda Turbo Kit lets you switch between internal and external airflow and easily adjust the strength using the lever.
Internal Circulation¶
Toggle the lever downward to draw internal air from the chamber — ideal for ABS, PETG, and high-temp materials. Minimize warping and enhance filtration efficiency with boosted airflow.

External Circulation¶
Toggle the lever rightward to draw cool external air—reducing heat buildup for sharper details and warp-free results.

Product Purchase Link¶
https://bit.ly/4mVyx10
If you have any issues with the product, please submit a support ticket.
https://biqu3d.com/pages/submit-a-ticket
Navigation:¶
BIQU Official Website: http://biqu3d.com
BIGTREETECH Official Website: http://bigtree-tech.com
Online Store: https://biqu.equipment
Community: https://community.biqu3d.com